English
Español
Português
русский
Français
日本語
Deutsch
tiếng Việt
Italiano
Nederlands
ภาษาไทย
Polski
한국어
Svenska
magyar
Malay
বাংলা ভাষার
Dansk
Suomi
हिन्दी
Pilipino
Türkçe
Gaeilge
العربية
Indonesia
Norsk
تمل
český
ελληνικά
український
Javanese
فارسی
தமிழ்
తెలుగు
नेपाली
Burmese
български
ລາວ
Latine
Қазақша
Euskal
Azərbaycan
Slovenský jazyk
Македонски
Lietuvos
Eesti Keel
Română
Slovenski
मराठी
Srpski језик
Produk Features
1, DC Generasi lan Panyimpen DC, luwih efisiensi lan rugi ngisor, sing cocog kanggo kekuwatan PV lan panyimpenan luwih gedhe
tinimbang skenario-beban loarking;
Perlindhungan 2, IP65, ketemu panggunaan ruangan. Output konvergensi mppt boost mppt, sing mbantu nyegah wiring
Kebingungan sing disebabake pirang-pirang barang Photovoltaic (PV) dikirim kanthi jarak sing dawa kanggo sistem kabeh-ing-siji.
3, 200-900v amba voltase input Photovoltaic, sing ndhukung akses modul modevoltaik ing industri saiki.
4, CHANLE-CHANLEEL MILPT, Rapat Panel Multi-Angle PV
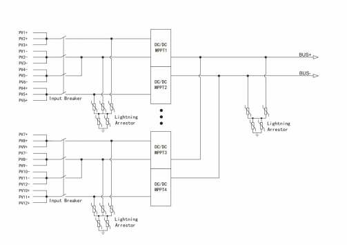
Diagram wiring

Spesifikasi
| Model | Mppt-8 | Mppt-6 | MPPT-12 | |
| Antarmuka sisih PV- Paramèter |
Voltase lampiran PV maksimal | 900v | ||
| Range Mppt Voltage | 200v-900v | |||
| Ranging listrik voltase | 560v-900v | |||
| Saiki cabang maksimal | 24A | 20A | ||
| Nomer senar PV input | 8 | 6 | 12 | |
| Nomer mppt | 8 | 2 | 4 | |
| Saiki saben mppt | 20A | 55A | ||
| Paramèter output | Range Voltase | 600-950v | ||
| Rated voltase | Default 716.8V, luwes | |||
| Saiki output | 118a | 84a | 168A | |
| Daya output output | 84kw | 60kww | 120kw | |
| Saiki output maksimal | 192a | 120A | 240a | |
| Parameter Sistem | Kieg | 99,4% | ||
| Kelas IP | IP65 | |||
| Konsep pendinginan | Konveksi alami | Keluhan Udara Dipeksa | ||
| Ukuran (w * d * h) | 550x530x280mm | 630 × 460 × 260mm | 630 × 460 × 260mm | |
| Bobot | 42kg | 25kg | 30kg | |
| Suhu operasi | -30 ~ 55 ℃ | |||
| Mode sumber daya | Poto mandhiri (tanpa coms listrik ing wayah wengi) | |||
| Antarmuka Komunikasi | RS485 | |||
