English
Español
Português
русский
Français
日本語
Deutsch
tiếng Việt
Italiano
Nederlands
ภาษาไทย
Polski
한국어
Svenska
magyar
Malay
বাংলা ভাষার
Dansk
Suomi
हिन्दी
Pilipino
Türkçe
Gaeilge
العربية
Indonesia
Norsk
تمل
český
ελληνικά
український
Javanese
فارسی
தமிழ்
తెలుగు
नेपाली
Burmese
български
ລາວ
Latine
Қазақша
Euskal
Azərbaycan
Slovenský jazyk
Македонски
Lietuvos
Eesti Keel
Română
Slovenski
मराठी
Srpski језик |
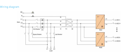
Fitur Sistem kasebut nggunakake unit inverter modular ing konfigurasi paralel, ing endi Saben input DC Modul Inverter cocog karo kabinet baterei khusus, Ngaktifake manajemen saben klompok kanggo ngilangi arus sirkulasi ing antarane senar baterei. Modul Daya AC / DC ndhukung penyebaran sing fleksibel kanthi jumlah lan Rating daya, kanthi kapasitas maksimal modul 60kw ing 5-unit paralel Konfigurasi. Output AC saka modul Daya dikirim liwat transformer Tahap output terisolasi, nyediakake kekuwatan kanggo beban kanthi resistansi kuwat kanggo kaget saiki. HYBRID ESTS MENGGUNAKAN INCHINASI FOTOVOLTIK DC-GOLONG, entuk dhuwur Efisien Konversi Energifikasi lan Optimized kanggo Skenario Off-Grid kanthi PV Generasi Kaluwih Generasi Mupal; Kontrol MPPT sing direncanakake ruangan Nyintegrasi fungsi combiner lan MPPT dadi kurungan sing atos. Sistem Lengkap kalebu pilihan ATS Generator Diesel, Sato 300kw Inverter, Controller PV MPPT, lan sistem panyimpenan energi.
Fitur Sistem kasebut nggunakake unit inverter modular ing konfigurasi paralel, ing endi Saben input DC Modul Inverter cocog karo kabinet baterei khusus, Ngaktifake manajemen saben klompok kanggo ngilangi arus sirkulasi ing antarane senar baterei. Modul Daya AC / DC ndhukung penyebaran sing fleksibel kanthi jumlah lan Rating daya, kanthi kapasitas maksimal modul 60kw ing 5-unit paralel Konfigurasi. Output AC saka modul Daya dikirim liwat transformer Tahap output terisolasi, nyediakake kekuwatan kanggo beban kanthi resistansi kuwat kanggo kaget saiki. HYBRID ESTS MENGGUNAKAN INCHINASI FOTOVOLTIK DC-GOLONG, entuk dhuwur Efisien Konversi Energifikasi lan Optimized kanggo Skenario Off-Grid kanthi PV Generasi Kaluwih Generasi Mupal; Kontrol MPPT sing direncanakake ruangan Nyintegrasi fungsi combiner lan MPPT dadi kurungan sing atos. Sistem Lengkap kalebu pilihan ATS Generator Diesel, Sato 300kw Inverter, Controller PV MPPT, lan sistem panyimpenan energi.
Spesifikasi |
|||||
| Model | P200ts-400-a | P250ts-400-a | P300ts-400-a | ||
|
Paramèter sisih DC |
Range Voltase | 650-950VDC | |||
| Switch input saben-modul | 250A | ||||
| Jumlah saluran DC | 3 cara | 4 cara | 5 cara | ||
|
Paramèter sisih AC (Sambung-Sambung) |
Daya output output | 200kW | 250kw | 300kw | |
| Daya output maksimal | 220kw | 275kw | 330KW | ||
| Saiki output | 289a | 361A | 433A | ||
| Thdi | <3% | ||||
| Jenis kothak | 3w + n + PE | ||||
| Range Voltase | 360vac ~ 440vac | ||||
| Frekuensi sawetara | 45 ~ 55HZ / 55 ~ 65HZ | ||||
| Faktor Daya | -1 ~ 1 | ||||
|
Island Paramèter sisih AC |
Daya output output | 200kW | 250kw 300kw | ||
| Voltase outpp sing dirating | 400vac | ||||
| Frekuensi output output | 50 / 60hz | ||||
| Thdu | <1% linear, <5% nonlinear <1% linear, <5% nonlinear | ||||
| Kapabilitas Overload | 110% Overload kanggo 10 menit110% kanggo 10mins | ||||
|
Grid-Islanding Transfer lan switchgear |
Pangopènan bypass switch | 400A | 630A | ||
| Ngalih ing Grid | 630A | 800a | |||
| Ngalihake Ngalih | 400A | 630A | |||
| Unit ss | 577a / 400kw | 722A / 500kw | |||
| Ngalih wektu | <20ms | ||||
|
Parameter sistem |
Efisiensi puncak | 97.5% | |||
| Suhu operasi | -30 ~ 55 ℃ -30 ~ 55 ℃ (Dering ndhuwur 40 ℃) | ||||
| Kelembapan relatif | 0 ~ 95% RH, 0 ~ 95% RH, Non-Condensing | ||||
| Ukuran (l * d * h) | 1300 × 1050 × 2050mm | ||||
| Bobot | 1400kg | 1700Kg 1800kg | |||
| Ipgrade | IP21 IP21 (lengkap) | ||||
| Swara | <70db | ||||
| Layar tampilan | LCD layar tutul | ||||
| Komunikasi Bms | Bisa | ||||
| Komunikasi EMS | TCP / IP | ||||