English
Español
Português
русский
Français
日本語
Deutsch
tiếng Việt
Italiano
Nederlands
ภาษาไทย
Polski
한국어
Svenska
magyar
Malay
বাংলা ভাষার
Dansk
Suomi
हिन्दी
Pilipino
Türkçe
Gaeilge
العربية
Indonesia
Norsk
تمل
český
ελληνικά
український
Javanese
فارسی
தமிழ்
తెలుగు
नेपाली
Burmese
български
ລາວ
Latine
Қазақша
Euskal
Azərbaycan
Slovenský jazyk
Македонски
Lietuvos
Eesti Keel
Română
Slovenski
मराठी
Srpski језик
Fitur Produk
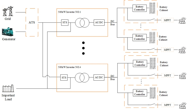
1.load luwih saka 500 KW, disaranake nggunakake inverter panyimpenan energi sing gedhe 500 KW sing bisa ndhukung nganti papat sambungan paralel, entuk output daya ATotal 2 MW;
2. Yen nganyarke pirang-pirang sistem KW kanthi podo lan nyebarake stsacross beda 500 KW inverters, mula mesthekake kanggo mesthekake yen kabel kasebut saka titik tie Grid konsisten;
3. TSTE HYBRID MENGGUNAKAN GOLEKSI FOTOVOLTIK DC-GOGLTIIK DC-DC-Efisiensi Konversi Energi lan Optimisasi Kanggo Skenario UFT-Grid kanthi permintaan Generasi PV Mppt direncanakake ruangan
Pengontrol nggabungake fungsi combiner lan MPPT dadi kurungan sing atos. Sistem lengkap kalebu pilihan ATS Generator Diesel, Inverter Hybrid 300KW, Controller PV MPPT, lan baterei
Sistem Panyimpenan energi.


Spesifikasi
| Model | P500ts-400-a | |
|
Paramèter sisih DC |
Range Voltase | 500-950v |
| Saiki maksimal | 1128A | |
| Daya output output | 500kw | |
|
Paramèter sisih AC (Sambung-Sambung) |
Daya output maksimal | 550kw |
| Saiki output | 722a | |
| Thdi | <3% | |
| Jenis kothak | 3w + n + PE | |
| Range Voltase | 360vac ~ 440vac | |
| Frekuensi sawetara | 45 ~ 55HZ / 55 ~ 65HZ | |
| Faktor Daya | -1 ~ 1 | |
| Daya output output | 500kw | |
|
Paramèter sisih AC (Off-grid) |
Voltase outpp sing dirating | 400v |
| Frekuensi output output | 50 / 60hz | |
| Thdu | <1% linear beban, <5% non-linear beban | |
| Kapabilitas Overload | 110% 10 menit | |
| Pangopènan bypass switch | 1250a | |
|
Saklar off-grid lan Ngowahi Konfigurasi |
DC ngalih | 1250a |
| Muat Ngalih | 1250a | |
| Switch Grid | 1250a | |
| Unit ss | 1155a / 800kw | |
| Ngalih wektu | <20ms | |
|
Parameter sistem |
PeAjefinal | 97.5% |
| Suhu operasi | -30 ~ 55 ℃ (Derurat ing ndhuwur 40 ℃) | |
| Kelembapan relatif | 0 nganti 95% RH, Non-Condensing | |
| Ukuran (l * d * h) | 1600 × 1050 × 2050mm | |
| Bobot | 2700kg | |
| Ipgrade | IP21 IP21 (Mesin Lengkap) | |
| Swara | <70db | |
| Layar tampilan | Lcd | |
| Komunikasi Bms | Bisa | |
| Komunikasi EMS | TCP / IP | |